Лазерний діод DFB 1653 нм потужністю 40 мВт для датчика метану CH4 Sensing використовує плоску конструкцію з мікросхемою на піднесучій. Мікросхема високої потужності герметично запечатана в 14-контактному корпусі типу «метелик» без епоксидних смол і флюсів і оснащена термістором, термоелектричним охолоджувачем і моніторним діодом для забезпечення високоякісної роботи лазера. Наші лазерні продукти відповідають вимогам Telcordia GR-468 і директивам RoHS.
Лазерний діод DFB 1653 нм потужністю 40 мВт для датчика метану CH4 Sensing використовує плоску конструкцію з мікросхемою на піднесучій. Мікросхема високої потужності герметично запечатана в 14-контактному корпусі типу «метелик» без епоксидних смол і флюсів і оснащена термістором, термоелектричним охолоджувачем і моніторним діодом для забезпечення високоякісної роботи лазера. Наші лазерні продукти відповідають вимогам Telcordia GR-468 і директивам RoHS.
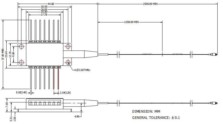
Промисловий стандартний 14-контактний пакет типу «метелик»;
Вбудований ТЕС і оптичний ізолятор;
Високоефективний лазер із розподіленим зворотним зв’язком (DFB) із багатоквантовою ямою (MQW).
Виробничі випробування пасивних компонентів для виявлення газу;
Система виявлення волоконного газу;
Лазерні джерела.
| Параметр | символ | Хвороба | Хв. | Тип. | Макс. | одиниця |
| Центральна довжина хвилі | λc | TL=15~35℃ CW | 1652.7 | 1653.7 | 1654.7 | нм |
| Оптична вихідна потужність | По | CW | - | 40 | - | мВт |
| LD Пороговий струм | ITH | CW | - | 15 | 40 | мА |
| LD Прямий струм | Якщо | Pf = номінальна потужність | - | 300 | 400 | мА |
| Оптична ізоляція | - | -10 < TC < +70 ℃ | 30 | - | - | дБ |
| Коефіцієнт придушення бічного режиму | SMSR | CW | 35 | 40 | - | дБ |
| Монітор чуйності | Im /Pf | - | - | 1 | 20 | мкА/мВт |
| Монітор стабільності відгуку | - | - | - | - | 20% | - |
| Монітор темнового струму | ID | VPD =5В | - | - | 50 | nA |
| ТЕС Струм | ITEC | Tcase =75 ℃ | - | - | 2 | A |
| Напруга TEC | VTEC | Tcase =75 ℃ | - | - | 3.5 | V |
| Споживана потужність ТЕС | P | Tstg =25 ℃ | - | - | 5 | W |
| Опір термістора | Rth | Tcase =75 ℃ | 9.5 | 10 | 10.5 | Км |
| Термістор B постійний | Bth | Tstg =25 ℃ | - | 3900 | - | K |
| Дрейф довжини хвилі (EOL) | △λ | Перевірено протягом 25 років експлуатації | - | - | ±0,1 | нм |
| Хвиля. Температурний коефіцієнт | Δλ/ΔT | Температура TEC від 15 ℃ до 35 ℃ | - | 0.09 | - | нм/℃ |
| Коефіцієнт струму за довжиною хвилі | Δλ/ΔI | - | - | 0.01 | - | нм/мА |

Усі продукти були протестовані перед відправкою;
Усі продукти мають гарантію 1-3 роки. (Після гарантійного періоду якості почали стягувати відповідну плату за обслуговування.)
Ми цінуємо ваш бізнес і пропонуємо миттєву політику повернення протягом 7 днів. (7 днів після отримання товару);
Якщо товари, які ви купуєте в нашому магазині, не мають ідеальної якості, тобто вони не працюють в електронному вигляді відповідно до специфікацій виробника, просто поверніть їх нам для заміни або повернення грошей;
Якщо предмети несправні, повідомте нас протягом 3 днів після доставки;
Щоб мати право на відшкодування або заміну, будь-які предмети повинні бути повернені в їх початковому стані;
Покупець несе відповідальність за всі понесені витрати на доставку.
З: Яка точність довжини хвилі?
A: +/-0,5 нм.
Q: Чи є у вас інші варіанти вихідної потужності?
A: 10 мВт, 15 мВт, 50 мВт.
1512nm 10mW DFB 14PIN Лазер метелика для NH3 Sensing
Лазерний діод метелика DFB 1392 нм для визначення вологості H2O
1653 нм DFB метелик лазерний діод для виявлення CH4
Лазерний діод метелика DFB 1567 нм для визначення CO
Лазерний діод DFB 1578 нм 10 мВт для виявлення сірководню
1580 нм DFB-лазерний діод для виявлення CO2Авторське право @ 2020 Shenzhen Box Optronics Technology Co., Ltd. – Китайські волоконно-оптичні модулі, виробники оптоволоконних лазерів, постачальники лазерних компонентів. Усі права захищено.