Лазерний модуль високої потужності 1653,7 нм має плоску конструкцію з мікросхемою на піднесучій. Високий Мікросхема живлення герметично запечатана в 14-контактному корпусі типу «метелик» без епоксидної смоли та флюсу та оснащена термістор, термоелектричний охолоджувач і моніторний діод для забезпечення високоякісної роботи лазера. Лазерний діод BTF 1653 нм потужністю 40 мВт для виявлення газу метану відповідає вимогам Telcordia GR-468 і директивам RoHS.
Лазерний модуль високої потужності 1653,7 нм має плоску конструкцію з мікросхемою на піднесучій. Мікросхема високої потужності герметично запечатана в 14-контактному корпусі типу «метелик» без епоксидних смол і флюсів і оснащена термістором, термоелектричним охолоджувачем і моніторним діодом для забезпечення високоякісної роботи лазера. Наші лазерні продукти відповідають вимогам Telcordia GR-468 і директивам RoHS.
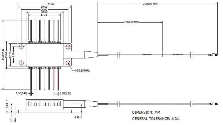
● Стандартна 14-контактна упаковка типу «метелик»;
● Вбудований ТЕС та оптичний ізолятор;
● Високоефективний лазер із розподіленим зворотним зв’язком (DFB) із багатоквантовою ямою (MQW).
● Виробничі випробування пасивних компонентів для виявлення газу;
● Система виявлення волоконного газу;
● Лазерні джерела.
| Параметр | символ | Хвороба | Хв. | Тип. | Макс. | одиниця |
| Центральна довжина хвилі | lc | Tl = 15 ~ 35 ℃ qu | 1652.7 | 1653.7 | 1654.7 | нм |
| Оптична вихідна потужність | після | CW | - | 40 | - | мВт |
| LD Пороговий струм | ITH | CW | - | 15 | 40 | мА |
| LD Прямий струм | Якщо | Pf = номінальна потужність | - | 300 | 400 | мА |
| Оптична ізоляція | - | -10 < TC < +70 ℃ | 30 | - | - | дБ |
| Коефіцієнт придушення бічного режиму | SMSR | CW | 35 | 40 | - | дБ |
| Монітор чуйності | щеплення | - | - | 1 | 20 | був/мвт |
| Монітор стабільності відгуку | - | - | - | - | 20% | - |
| Монітор темнового струму | ID | VPD =5В | - | - | 50 | nA |
| ТЕС Струм | ITEC | Tcase =75 ℃ | - | - | 2 | A |
| Напруга TEC | VTEC | Tcase =75 ℃ | - | - | 3.5 | V |
| Споживана потужність ТЕС | P | Tstg =25 ℃ | - | - | 5 | W |
| Опір термістора | Rth | Tcase =75 ℃ | 9.5 | 10 | 10.5 | Км |
| Термістор B постійний | Bth | Tstg =25 ℃ | - | 3900 | - | K |
| Дрейф довжини хвилі (EOL) | △λ | Перевірено протягом 25 років експлуатації | - | - | ±0,1 | нм |
| Хвиля. Температурний коефіцієнт | Dl/Dt | Температура TEC від 15 ℃ до 35 ℃ | - | 0.09 | - | нм/℃ |
| Коефіцієнт струму за довжиною хвилі | Dl/DI | - | - | 0.01 | - | НМ / в |

Усі продукти були протестовані перед відправкою;
Усі продукти мають 1 рік гарантії. (Після гарантійного періоду якості почали стягувати відповідну плату за обслуговування.)
Ми цінуємо ваш бізнес і пропонуємо миттєву політику повернення протягом 7 днів. (7 днів після отримання товару);
Якщо товари, які ви купуєте в нашому магазині, не мають ідеальної якості, тобто вони не працюють в електронному вигляді відповідно до специфікацій виробника, просто поверніть їх нам для заміни або повернення грошей;
Якщо предмети несправні, повідомте нас протягом 3 днів після доставки;
Щоб мати право на відшкодування або заміну, будь-які предмети повинні бути повернені в їх початковому стані;
Покупець несе відповідальність за всі понесені витрати на доставку.
З: Яка точність довжини хвилі?
A: +/-0,5 нм.
Q: Чи є у вас інші варіанти вихідної потужності?
A: 10 мВт, 15 мВт, 50 мВт.
Інтегрована настроювана лазерна збірка C-діапазону з вузькою шириною лінії ITLA
1550 нм, 40 мВт, 200 КГц, вузька ширина лінії DFB, лазерний діод метелик
1550 нм 40 мВт 600 КГц DFB Butterfly Package Narrow Linewwith Laser Diode
1550 нм, 50 мВт, 100 кГц, вузька ширина лінії DFB, лазерний діод метелик
1550 нм 2 мВт 5 мВт коаксіальний лазерний діод з вузькою шириною лінії
1550 нм 100 мВт 100 кГц Вузька ширина лінії DFB лазерний діод BTF з волокном SM/PMCopyright @ 2020 Shenzhen Box Optronics Technology Co., Ltd. - Китайські волоконно -оптичні модулі, волоконні лазерні виробники, постачальники лазерних компонентів усі права захищені.